分类
零件号:P22070SM-19C-12V-4000-F
类型:压电蜂鸣器
驱动器:被动蜂鸣器
工艺:SMD蜂鸣器
SMD压电蜂鸣器是一种支持表面贴装的小型驱动器,它使用薄膜元件和驱动电路来发出声音。它通常由一个或多个细薄的片状设备构成,其中包括空气声学器件、电能转换器和驱动电路。
与压电蜂鸣器相比SMD压电蜂鸣器具有如下的一些特征:
1、SMD压电蜂鸣器支持表面贴装,可以实现更小的体积、更轻的重量和更少的附件,从而实现产品设计节省成本的目标。
2、SMD压电蜂鸣器具有良好的抗振性和高稳定性,具有高信号质量、高性能和高可靠性。
3、SMD压电蜂鸣器可以提供更大的频率范围,从而给设计师们更多的设计灵活性。
SMD压电蜂鸣器具体应用:
1、SMD压电蜂鸣器可以用于汽车电子,可以用于警报、设备故障提示、高速报警、系统运行指示等。
2、SMD压电蜂鸣器可以用于通讯设备,可以用于电话拨号提示、按键反馈声音、短信提示等。
3、SMD压电蜂鸣器可以用于家电设备,可以用于录音机提示、话筒提示、洗衣机状态提示等。
4、SMD压电蜂鸣器可以用于安防设备,可以用于报警器、门铃、摄像头报警、安全报警系统等。
规格参数: | |
额定电压 (Vo-p) | 12.0 |
工作电压 (Vo-p) | 2~30 |
额定电流 (mA) | MAX.7.0 |
声音输出在10cm (dBA) | MIN.90 |
电容在1KHz (pF) | 19000 ± 30% |
共振频率 (Hz) | 4000 |
工作温度 (℃) | -30~+70 |
储存温度 (℃) | -40~+80 |
外壳材料 | PPS |
重量 (g) | 2.7 |
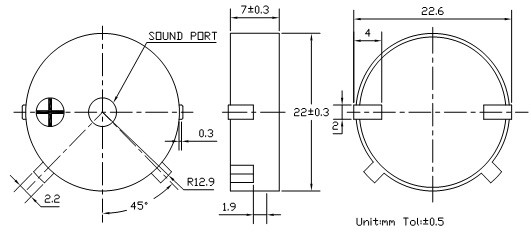
尺寸图:
