分类
电磁式有源蜂鸣器是一种可以通过电流流动在磁芯中,产生蜂鸣声的小型装置。它通常由一个电磁线圈和一个磁芯组成,其中电磁线圈由电源驱动,经过磁芯的磁场作用,产生蜂鸣声。电磁式有源蜂鸣器需要电源来激励,可以发出低频和高频的声音,而电磁式无源蜂鸣器依靠外部电磁场来激励,只能发出很低的频率声音。
电磁式有源蜂鸣器是一种可以通过电流流动在磁芯中,产生蜂鸣声的小型装置。它通常由一个电磁线圈和一个磁芯组成,其中电磁线圈由电源驱动,经过磁芯的磁场作用,产生蜂鸣声。电磁式有源蜂鸣器需要电源来激励,可以发出低频和高频的声音,而电磁式无源蜂鸣器依靠外部电磁场来激励,只能发出很低的频率声音。
电磁式有源蜂鸣器优势:
1、体积小:电磁式有源蜂鸣器非常小巧,占用空间少,安装方便。
2、振动强大:电磁式有源蜂鸣器具有振动强大的特点,可以在大距离传播和提醒,效果更加显著。
3、声音更加清晰持久:电磁式有源蜂鸣器的形式稳定,声音更加清晰持久。
4、 电源效率高:电磁式有源蜂鸣器的电源效率更高,能够更好地满足用户的需求。
5、噪音低:电磁式有源蜂鸣器具有较低的噪音水平,可以更加轻松舒适地工作。
电磁式有源蜂鸣器的应用:
1、电梯:电磁式有源蜂鸣器可以用于电梯的门开闭提醒,运行状况提示等。
2、车载导航系统:电磁式有源蜂鸣器可以用于车载导航系统中,用于提示行车路线,进入繁忙路段等。
3、紧急按钮:电磁式有源蜂鸣器可以用于紧急按钮,在紧急情况下发出警报声。
4、安防报警器:电磁式有源蜂鸣器也可以用于安防报警器,在有外力侵入时发出警报声。
5、仪器仪表:电磁式有源蜂鸣器也可以用于仪器仪表,当测量计算结果超出预设范围时发出警报声。
规格参数: | |
额定电压 (VDC) | 3.0 |
工作电压 (VDC) | 2~5 |
额定电流 (mA) | MAX.30 |
声音输出在10cm (dBA) | MIN. 82 |
共振频率 (Hz) | 2300±500 |
工作温度 (℃) | -25~+70 |
储存温度 (℃) | -30~+80 |
外壳材料 | MPPO |
重量 (g) | 1.8 |
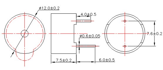
尺寸图:
