您的位置: 主页   星空app电竞平台   扬声器  扬声器 SN7777S006-45R-F
扬声器 SN7777S006-45R-F
扬声器 SN7777S006-45R-F

扬声器 SN7777S006-45R-F

产品详情

规格参数

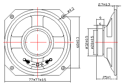
尺寸 (mm)

77*77*25H

额定功率 (W)

0.5

上限功率 (W)

1.0

阻抗 (Ω)

45 ± 15% at 1kHz

敏度 (dB)

90 ± 3dB SPL @ 0.1W, 0.1m 0.8,1.0,1.2,1.5KHz in average

频率范围 (Hz)

F0-5KHz

工作温度 ()

-20+55

振频率 (Hz)

300±20% at 1KHz 1V

尺寸图:

image.png


关联产品
立即咨询
姓名*
电话*
邮箱
留言内容*
验证码*
  
其他产品
热门产品
Baidu
map